5.1.2 Sandstein
| Farbe |
hellbraun, beige, grün bis rostbraun |
| Bruch |
eckig, kantig |
| Komponenten |
Sand (Quarz, Feldspat, Glimmer) |
| Korngröße |
psammitisch |
| Schichtung |
cm- bis dm-Bereich |
| Schieferung |
fein geschiefert |
| Klüftung |
teils quarzverfüllt |
| Faltung |
weniger verfältelt und kompetenter
als der Tonschiefer |
| Morphologie |
bildet teilweise morphologisch höhere
Gesteinsrippen |
Abbildung 10: Feingeschichteter Schiefer der Nebida-Gruppe
mit Rutschfalte |
|
Genese der Tonschiefer und Sandsteine (Kapitel
5.1.1 und 5.1.2):
Die Akzessorien sprechen für ein granitisches oder dioritisches
Ausgangsmaterial oder ein entsprechend zusammengesetztes metamorphes Gestein.
Nach SELG 1985 handelt es sich um eine flach geneigte klastische Rampe,
auf der von Zeit zu Zeit Algen-Archaeocyathen-Kalke (siehe 5.1.3) entstehen
konnten.
Die Ablagerung der monotonen Klastika läßt auf ein relativ
ruhiges, flachmarines Milieu und folglich niedriges Energieniveau schließen.
Uneinigkeit herrscht über die Lage des Liefergebietes. CARANNANTE
et al. 1984 vermuten es im W bis NW, während BECHSTÄDT et al.
1988 das Erosionsgebiet im S bis SE angeben.
5.1.3 Karbonateinschaltungen
|
| Farbe |
hell- bis dunkelgrau |
| Verwitterung |
hellgrau mit bläulichem Stich, gerundete
Formen, gelb-bräunliche Verwitterungsstreifen |
| Bruch |
splittrig |
| Komponenten |
Calcit, Ton |
| Korngröße |
mikritisch, homogen |
| Gefüge |
sehr kompakt |
| Schichtung |
bis 1 m mächtig, schichtparallel
zwischen den Tonschiefern und Sandsteinen |
| Ausdehnung |
bildet keine durchgehenden Horizonte,
keilt oft aus |
| Faltung |
sehr kompetent, nicht spezialgefaltet |
| Klassifikation |
algal boundstone, Mikrit / Dismikrit |
| Morphologie |
unauffällig |
|
Genese:
Durch zunehmende Verflachung des Sedimentationsraumes zum Hangenden
der Nebida-Gruppe wurde die Karbonatsedimentation möglich. Algal boundstones
werden bei geringer Wassertiefe - nach SELG 1986 in einer Tiefe von 20
bis 50 m - bei mäßiger Wasserbewegung gebildet. Für das
niedrige Energieniveau spricht auch die homogene mikritische Ausbildung
und das Fehlen von Riffschutt (weil chemisch lagunär ausgefällt).
Die lithologischen Wechsel (klastisch / karbonatisch) führt SELG
1986 auf eine zeitweise unterbrochene klastische Sedimentzufuhr zurück.
Der Grund dafür könnte eine klimatische Veränderung hin
zu ariden Verhältnissen gewesen sein, wodurch die Erosionsrate gesenkt
und die Verdunstungsrate erhöht wurde. Denkbar wäre ein lagunärer
Faziesraum als Folge der Plattformbildung.
|
|

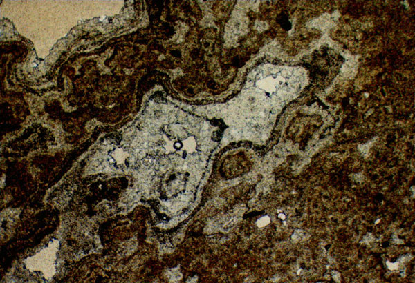
Abbildung 11: Dünnschliff des Nebida-Kalkes, 40-fache
Vergrößerung, gekreuzte Polarisatoren; man sieht den feinkörnigen
Kalk randlich, der in der Bildmitte grobkörniger sowie marmorisiert
ist und Zwillingsstreifung aufweist (leichte Metamorphose). |
5.2 Gonnesa-Gruppe
5.2.1 Santa Barbara-Formation: Dolomit
|
| Farbe |
hell- bis dunkelgrau |
| Verwitterung |
hell- bis mittelgrau mit bläulichem
Stich, gelb-braune Kluftfüllungen, runde Verwitterungsformen |
| Bruch |
splittrig, kantig, spröd, eckig,
entlang den Kluftflächen |
| Komponenten |
Dolomit, Calcit, wenig Quarz |
| Korngröße |
sehr feinkörnig, mikritisch |
| Gefüge |
geschlossen, Stylolithen, keine Hohlräume |
| Schichtung |
durch massiges Auftreten nicht zu erkennen,
nicht gebändert |
| Klüftung |
calcit- und quarzverfüllte Äderchen |
| Faltung |
faltungskompetent |
| Klassifikation |
mudstone |
| Silifizierung |
an Schwächezone brecciiert und quarzverheilt |
| Vererzungen |
Hämatit, Goethit, Baryt (an Störungen),
siehe Abbildung 12) |
| Morphologie |
generell hügelbildend, Karsterscheinungen |
Genese:
Nach FRÖHLER 1994 wandelte ein überregionales Dehnungsereignis
die nach W progradierende klastisch-karbonatische Plattform in eine isolierte
Karbonatplattform um. Durch den steten Anstieg des relativen Meeresspiegels
kam es zur Flutung der Plattform und zur Ablagerung von mikritischen Dolomiten
des ruhigen und flachen Subtidals.
|
|

Abbildung 12: Barytrose; typische Aggregatform, gefunden
in einer Abbaugrube westlich des Ega de sa Tuta
|
|

Abbildung 13: Angewitterte Dolomitbrocken am Punta Antiogu
Sardara
|
5.2.2 Störungsgestein: Quarzbreccie |
| Farbe |
ockergelb, ziegelrot |
| Härte |
sehr hart durch Silifizierung |
| Komponenten |
Dolomitbruchstücke, die mit Quarz
verkittet wurden (silifiziert) |
| Merkmale |
Harnischstreifung |
| Morphologie |
sehr verwitterungsresistent, steht teilweise
mehrere Meter aus dem Gelände heraus |
|
Abbildung 14: Quarzbreccie aus der Störungszone
ca. 350 m westlich des Monte Floris
Abbildung 15: Dünnschliff der Störungsbreccie,
40-fache Vergrößerung, gekreuzte Polarisatoren; unten im Bild
erkennt man den Dolomit, der von feinen Quarzkristallen umlagert ist, welche wiederum von größeren
Kristallen umgeben sind
|
5.2.3 San Giovanni-Formation: Wachskalk |
| Farbe |
hell- bis mittelgrau mit bläulichem
Stich, teilweise weiß oder rötlich marmorisiert, Wachsglanz,
stumpf verwitternd |
| Bruch |
wachsartig, schuppig, splittrig, muschelig,
konkave Bruchflächen |
| Komponenten |
reiner Calcit, randlich hellgraue bis
braune dolomitisierte Bereiche |
| Korngröße |
mikritisch, sparitisch |
| Gefüge |
massig, kompakt, Stylolithen, Bänderung |
| Schichtung |
dm- bis m-Bankung (vielleicht auf Kluftverwitterung
zurückzuführen) |
| Klüftung |
Calcitäderchen im mm-Bereich, verwittern
gelb bis braun |
| Klassifikation |
mudstone, wackestone, Dismikrit |
| Vererzungen |
Hämatit, Goethit, Baryt (an Störungen),
siehe Abbildung 12 |
| Vorkommen |
unregelmäßig, meist zwischen
Dolomit und Kalkschiefer |
| Verkarstung |
bildet eine riesige Tropfsteinhöhle
im Tal östlich des Ega de sa Tuta |
| Morphologie |
große runde Formen, unauffällig
in die Morphologie eingegliedert |

Abbildung 16: Anschliff eines Wachskalkbrockens mit Stylolithen
|
|
Genese:
Da keine syngenetische Dolomitisierung stattgefunden hat, schließen
SCHLEDDING 1985 und BECHSTÄDT et al. 1988 auf eine Sedimentation in
etwas tieferem Wasser (gegenüber der Ablagerungstiefe des Dolomits),
wobei es sich noch immer um eine Lagunenfazies handelt. Die steigende Wassertiefe
ist im Hinblick auf die folgenden silikatischen Sedimente der Cabitza-Formation
gut denkbar.
Die helle Farbe des Wachskalkes ist ein Hinweis auf ein gut durchlichtetes
und durchlüftetes Milieu, dem offene Schelfbedingungen entsprechen
könnten. MOSTLER 1985 beschreibt ein dem tidal flat vorgelagertes
Subtidal mit 10 bis 20 m Wassertiefe.
Der Wachskalk wurde regionalmetamorph überprägt, weshalb keine
Sedimentations-merkmale und Fossilien zu erkennen sind.
|
|

Abbildung 17: Typischer wachsartiger Bruch des Wachskalkes
im frischen Anschlag

Abbildung 18: Dünnschliff des Wachskalkes, 40-fache
Vergrößerung, gekreuzte Polarisatoren; da der Ceroide größtenteils
rekristallisiert wurde, sind nach LÜNEBURG 1995 die Calcitkörner klein und annähernd
gleich groß; sie zeigen keine Anzeichen von Deformation; man erkennt Stylolithenbildung
|
5.3 Iglesias-Gruppe
5.3.1 Campo Pisano-Formation: Kalkschiefer |
| Farbe |
beige bis cremefarben, hellbraun verwitternd |
| Bruch |
teils plattig-schiefrig, teils eckig |
| Komponenten |
Calcit, Ton (deshalb relativ weich, ritzbar) |
| Korngröße |
mikroskopisch, feinkörnig |
| Schichtung |
gleichmäßig fein, im mm-Bereich |
| Schieferung |
gleichmäßig fein, im mm-Bereich |
| Mächtigkeit |
unterschiedlich, zwischen 20 und 50 m |

Abbildung 19: Kalkschiefer (polierter Gesteinsanschliff)
|
|
Genese:
Kräftige tektonische Impulse an der Wende Unter- / Mittelkambrium
führten nach FRÖHLER 1994 zum Zerbrechen der Gonnesa-Karbonatplattform.
Die entstehenden Schollen tieften unterschiedlich schnell ab, wobei es
in den schnell sinkenden Bereichen zur Ablagerung von Kalkschiefern kam.
Diese sind als Übergangsbildung von der Flachwasser- zur Beckensedimentation
zu sehen.
|
Abbildung 20: Dünnschliff des Kalkschiefers, 40-fache
Vergrößerung, gekreuzte Polarisatoren; man erkennt die feine
Struktur und einen wahrscheinlich tektonisch versetzten Quarzgang
|
5.3.2 Cabitza-Formation: Tonschiefer |
| Farbe |
beige bis cremefarben, hellbraun verwitternd,
seidig- fettiger Glanz |
| Bruch |
unregelmäßig, teils plattig-schiefrig,
teils eckig, spröde, faserig |
| Komponenten |
Ton (Quarz, Feldspat, Glimmer) |
| Korngröße |
feinkörnig |
| Gefüge |
homogen |
| Schichtung |
feine cm- bis dm-Lagen |
| Schieferung |
fein geschiefert |
| Faltung |
kaum verfaltet |
| Morphologie |
unauffällig, flach |
|

Abbildung 21: Cabitza-Schiefer (Anschliff)
|
|
Genese:
Die Zunahme feinsandiger terrigener Klastika nach Osten und Südosten
werten BECHSTÄDT et al. 1988 als einen Hinweis auf die Lage des Liefergebietes
in dieser Richtung. Es handelt sich um ein offen marines Milieu, das zum
Liefergebiet hin langsam flacher wird.
CARANNANTE et al. 1984 vermuten Tiefwasserbedingungen. Durch ein Absinken
unter die CCD wurde die Kalkproduktion gestoppt und es kam zu einer rein
klastischen Sedimentation.
Nach SCHLEDDING 1985 dominiert jetzt die klastische Schüttung,
die sich in den Kalkschiefern der Campo Pisano- Formation ankündigt.
5.4 Quartäre Bildungen
5.4.1 Alluvium
Der als Alluvium gekennzeichnete Bereich besteht in erster Linie
aus lockerem quartären Hangschutt und landwirtschaftlich genutztem
Boden im westlichen Teil des Kartiergebietes.
Am Cava di Pietra beinhaltet diese Signatur auch die anthropogene Abraumhalde
des wenig nordöstlich davon gelegenen Wachskalkabbaues.
5.4.2 Breccie (lateritisch) |
| Farbe |
rot-braun, schwarz |
| Komponenten |
Laterit, Beimengungen von Fremdgestein
(überwiegend Dolomit oder Wachskalk), hart, verfestigt |
| Gefüge |
pisolithisch, d.h. durchsät von kleinen
Kügelchen, die wie Gerölle aussehen |
| Vererzungen |
Limonit, Hämatit |
|
Genese:
Die Breccie besteht aus verfestigtem Hangschutt, der am Fuße der
N-S-verlaufenden Hügelkette in Form von scharfkantigen Felsbrocken
abgelagert und silikatisch verkittet wurde. In Störungstälern
wurde die Breccie auch durch das Zerbrechen von Gesteinen, z. B. bei Faltungsvorgängen
oder Verwerfungen, gebildet.
|
Abbildung 22: Anschliff einer lateritischen Breccie
|
| Farbe |
rot-braun, schwarz |
| Komponenten |
Laterit, Beimengungen von Fremdgestein,
calcitische Auskristallisierungen mit Hohlräumen, hart, verfestigt |
| Gefüge |
leicht pisolithisch, d.h. durchsät
von kleinen Kügelchen, die wie Gerölle aussehen |
| Fossilinhalt |
teilweise calcitische Knochen |
| Vererzungen |
Limonit, Hämatit |
|
Die Knochenbreccie wurde auf der geologischen Karte nicht als eigene
Einheit auskartiert, weil ihr Auftreten auf eine einzige Stelle begrenzt
war. Sie wurde im Steilabbruch des Wachskalksteinbruchs Cava di Pietra
(siehe Abbildung 1) gefunden.
Genese:
Entstanden ist sie vermutlich durch die Verfüllung einer Karsttasche
des Wachskalkes in einem der vier von BONI 1979 beschriebenen Karstzyklen.
Die Knochen stammen nach EXEL 1986 von Vögeln und Kleinsäugetieren.
|
|
Abbildung 23: Polierte Anschliffe der Knochenbreccie vom
Wachskalksteinbruch Cava di Pietra
|
| Farbe |
weiß, grau |
| Komponenten |
Kalk |
| Fossilinhalt |
Schnecken, nicht versteinert, sondern
eingesintert |
|
Der Kalksinter wurde auf der geologischen Karte nicht als eigene
Einheit auskartiert, weil sein Auftreten auf eine einzige Stelle begrenzt
war. In der äußersten südöstlichen Ecke des Kartiergebietes
erkennt man in der Karte ein relativ stark einschneidendes Tal. Dieses
umrundet in seinem hoch gelegenen Teil einen Kalkbrocken von 20 bis 30
m Durchmesser. An seinem Äußeren und an seiner Struktur im Dünnschliff
erkennt man, daß es sich um Sinterkalk handelt. In Handstücken
wurden auch eingebaute organische Kalkschalen von Schnecken gefunden.
Genese:
Die Entstehung könnte mit der Einschneidung eines Baches in den
umlagernden Granit zusammenhängen, der ursprünglich vielleicht
als Wasserfall über den Hügel herabfloß. Wahrscheinlich
wurde der Kalk der Nebidaschichten, vielleicht sogar des Monte Azzieddas-Members
(Basiskarbonat) durch einen Bach gelöst und abtransportiert.
Der angesinterte Kalk hat den landschaftlich schönsten Flecken
im Kartiergebiet geschaffen, der durch seinen Bewuchs mit runden blühenden
Büschen wirklich zauberhaft erscheint.
|
|

Abbildung 24: Dünnschliff des Sinterkalkes, 40-fache
Vergrößerung, ungekreuzte Polarisatoren; erkennbar ist die schichtige
Anlagerung des Kalkes
Abbildung 25: Geländeaufnahme des im Text (Seite
42) beschriebenen Kalkbrockens
|
5.5 Intrusivgestein: Granit |
| Farbe |
orange bis rosa, fleischfarben |
| Verwitterung |
ruschelig, besitzt im Anschliff relativviele Poren |
| Bruch |
eckig, scharfkantig, entlang den Abkühlungsklüften |
| Komponenten |
Alkalifeldspat, Quarz, wenig Glimmer |
| Korngröße |
mittel- bis kleinkörnig |
| Kornform |
xenomorph, selten idiomorph |
| Klüftung |
Abkühlungsklüfte, nicht verheilt |
| Klassifikation |
Alkaligranit |
| Morphologie |
runde Formen, mit rauher Oberfläche,
hügelbildend, herausstehend |

Abbildung 26: Aufschluß westlich des Cava di Pietra,
der durch die Nutzung des Granits als Baumaterial entstanden ist; man erkennt
deutlich die starke Klüftung
|
|
Genese:
Der Alkaligranit ist ein Tiefengestein der Granitgruppe, das am Ende
der Hauptkristallisationsphase, also spät in der Differentiationsreihe
ausgeschieden wird. Sein Auftreten ist meist an Rand- und Dachzonen großer
granitischer Intrusivkomplexe gebunden. Es könnte sich hier um den
Randbereich des im SE gelegenen großen Granitstockes handeln, dessen
Magma überwiegend in die durch die variszische Orogenese entstandenen
EW-gerichteten Störungszonen eindrang.
Unterstützt wird diese Vermutung durch die Altersbestimmungen von
DEL MORO et al. 1975 und CARMIGNANI et al. 1978, die sardische Granite
auf ein spätvariszisches Alter von 289±1
Millionen Jahre (Grenze Karbon / Perm) datierten.
|
|

Abbildung 27: Anschliff eines Granithandstückes vom
s`Arcu s`Egua; man erkennt die relativ großen
Minerale (Quarz, Plagioklas, Alkalifeldspat und wenig Glimmer) in einer orangfarbenen Matrix, die dem
Gestein seine Farbe verleiht

Abbildung 28: Dünnschliff einer Probe des flächenmäßig
kleinen Granits südöstlich des Cava di Pietra, der schon Verwitterungsspuren zeigt und an dessen
unmittelbarem Kontakt zum Dolomit glasklare Barytkristalle gebildet wurden, (40-fache Vergrößerung, gekreuzte Polarisatoren) |
|
6 Tektonik
6.1 Tektonische Übersicht
Die altpaläozoischen Gesteinsserien SW-Sardiniens wurden
durch drei Orogenzyklen überprägt. Die kaledonische und
die variszische Orogenese formten ein komplexes Bruchfaltengebirge,
welches durch die alpidische Bewegung entlang den angelegten Bruchstrukturen
in Gräben und Horste zerlegt wurde.
Die Existenz der kaledonischen Orogenese auf Sardinien ist in
der Literatur umstritten. STILLE`s Sardische Phase, eine Winkeldiskordanz
zwischen den Schichten der Cabitza-Formation und basalen Konglomeraten
des Ordoviziums wird von RITT 1986 in Frage gestellt. Sie gilt als schwer
nachweisbar, weil die nachfolgende erste variszische Phase ebenfalls E-W-streichende
Falten erzeugte. Nach CARMIGNANI et al. 1978 und 1981 fehlt in Sardinien
die Haupttektonik der gesamten kaledonischen Orogenese, BELOV 1981 erkennt
sogar für den ganzen Mittelmeerraum keine Anhaltspunkte dafür.
Die erste variszische Phase formte nach POLL 1966 durch eine
N-S-Einengung einen E-W-gerichteten Faltenbau. ARTHAUD 1970 datierte sie
ins unterste Tournais (oberstes Devon).
Beide Autoren heben die größere Bedeutung der zweiten
variszischen Phase in SW-Sardinien hervor, die zeitlich ins Viséum
bis Namur eingeordnet wird. Nach CARMIGNANI et al. 1982a kam es durch die
E-W-Einengung zur Bildung von N-S-streichenden Falten und zu lokalen Überschiebungen.
Nach RITT 1986 ist die Faltung nicht immer N-S-gerichtet, sondern differiert
wegen variierender Materialzusammensetzung und ihrer Vorprägung zwischen
NNW-SSE bis NNE-SSW.
Ferner werden in der Literatur weitere variszische Faltungen
(die dritte und vierte) mit wechselnden Einengungsrichtungen beschrieben,
die zur Bildung von NE-SW- bis NW-SE-streichenden Strukturen geführt
haben. Nach LÜNEBURG 1995 ist die dritte Faltung mit unterschiedlichen
Achsenrichtungen nur lokal entwickelt. BODECHTEL 1996 (mündlich) erklärt
diese Strukturen als resultierende Richtungen aus den zwei vorangegangenen,
senkrecht zueinander stehenden Faltungen, die eigentlich keine eigene Phase
rechtfertigen. Auch COCOZZA 1979 spricht sich gegen die Existenz einer
dritten variszischen Phase aus.
Die alpidische Orogenese führte im Tertiär zu bruchtektonischer
Beanspruchung entlang den in den vorangegangenen Faltungen entstandenen
Schwächezonen. Es kam zur Ausbildung einer Horst- und Grabenstruktur,
die zur Entstehung des Campidano-, des Cixerri- und des Giba-Grabens führte.
Auch die Rotation des korso-sardischen Mikrokontinents (siehe Abbildung
6) ist nach EDEL et al. 1981 auf plattentektonische Vorgänge während
der alpidischen Orogenese zurückzuführen.
6.2 Tektonik des Kartiergebietes
6.2.1 Tektonische Bildungsereignisse
Die Hauptstruktur des beschriebenen Kartiergebietes wird durch
einen abgescherten, N-S-verlaufenden, westvergenten, überkippten Isoklinalfaltenbau
gebildet, der die ursprünglich E-W-verlaufenden Strukturen überprägte.
Diese Situation ergibt sich aus den zwei starken variszischen Bewegungsphasen
im Zeitraum zwischen Oberkambrium und Perm (siehe Kapitel
6.1 ). Hinzu kommen noch jüngerer alpidische Ereignisse, die aber
keinen Einfluß auf die Gesamtstruktur hatten. Lediglich in Schwächezonen
aufgedrungene E-W-streichende Granite lassen sich dieser Phase zuordnen.
Die sardische Phase wird hier nicht diskutiert, da sie
im Kartiergebiet nicht eindeutig nachweisbar ist, da keine Diskordanzen
auftreten.
Die erste variszische Phase führte durch ihre Einengung
in N-S-Richtung zu E-W-gerichteten Strukturen. Viele teilweise tief einschneidende
Störungstäler (wie das E-W-verlaufende Tal zwischen dem Cava
di Pietra und dem Punta Acuzza) sind auf sie zurückzuführen.
Auch die meist E-W-streichenden Granite sind wahrscheinlich an Schwächezonen
aufgedrungen, die durch die erste variszische Phase in dieser Richtung
angelegt wurden. Die kambrischen Formationen wurden in E-W-streichende
Falten gelegt, die maximal eine Amplitude von 0,25 km und eine Wellenlänge
von 0,7 km haben.
Die heute noch besser erkennbaren Strukturen wurden von der zweiten
variszischen Phase angelegt. Ihre Einengungsrichtung war zur ersten
variszischen Phase um 90° verdreht. Sie führte zur Auffaltung
des dominanten, N-S-verlaufenden, westvergenten, überkippten Sattels
in der Mitte des Kartiergebietes.
Im Vergleich zum ca. 3 km nördlich am Giba-Graben gelegenen
Kartiergebiet von ULLA WEINGART könnte der relativ große Anteil
an Gesteinen der Nebida-Gruppe auf eine im Vergleich zu diesem Gebiet herausgehobene
Position hindeuten. Dies wäre durch die E-W-verlaufende Faltung der
ersten variszischen Phase, durch die Scherbewegungen der alpidischen Orogenese
oder durch ein generelles Abrutschen einzelner Blöcke in den im N
gelegenen Giba-Graben erklärbar.
Die Gesteine der Nebida-Gruppe bilden im westlichen Teil
des Kartiergebietes einen westvergenten, N-S-verlaufenden, überkippten
isoklinalen Sattel. Durch die isoklinale Faltung, Sekundärfalten und
mehrere N-S-gerichtete Störungen, die teilweise im Gelände kartiert
und teilweise als Lineamente auf den Luftbildern erkannt wurden, ergibt
sich bis zur Kartiergebietsgrenze eine scheinbare Mächtigkeit von
1.300 m (siehe z. B. Profilkarte
1). Die Schichten haben ein generelles Streichen von 170° und sind
fast ausschließlich ostfallend. Sie fallen in der Nähe ihrer
Grenze zum Dolomit ziemlich steil, teilweise auch nach W ein, was darauf
hindeutet, daß sich hier der Faltenkern befindet, der durch eine
N-S-verlaufende Störung in unmittelbarer Nachbarschaft zum Dolomit
liegt. Ca. 250 m westlich des Dorfes Perdaiola (im SE des Gebietes) wurde
der Kern einer überkippten N-S-streichenden Falte (Faltenachse streicht
mit 170° und fällt mit 7° nach S) fotografiert (siehe Abbildung
29). Die nach S fallende Faltenachse erklärt den Verlauf der Grenze
Nebida-Schiefer / Dolomit und legt die Vermutung nahe, daß durch
eine E-W-gerichtete Faltung das nördlich gelegene Gebiet von ANGELIKA
FREI am weitesten herausgehoben wurde (Sattel). Bestätigt wurde dies
auch durch die Existenz eines nach N einfallenden Faltenachsenlinears im
ca. 3 km nördlich gelegenen Gebiet von ULLA WEINGART. |
|

Abbildung 29: Faltenkern ca. 250 m westlich des Dorfes
Perdaiola (im SE des Kartiergebietes) |
|
Der Dolomit der Gonnesa-Gruppe erreicht seine mächtige Ausbißbreite
durch den Anschnitt des isoklinalen Sattels und eine NW-SE-verlaufende
Aufschiebung, die im nördlichen Teil als Quarzbreccie kartiert wurde
und auf den Luftbildern gut als Lineament erkennbar ist
(siehe Profil 1).
Nach W setzt sich die Faltung in allen drei E-W-gerichteten Profilschnitten
als gestörte Mulde-Sattel-Mulde-Struktur fort. Dies wurde aus der
Lage der hangenden Schichten (Wachskalk, Kalkschiefer und Cabitza-Schiefer)
gefolgert.
Im nördlichen Profilschnitt (Profil
1) kommt in der westlichen Mulde noch Cabitza-Schiefer zum Vorschein,
während im südlichen (Profil
3) nur einmal die Wachskalk-Kalkschiefer-Wachskalk-Sequenz vorkommt.
Dies bestätigt die These, daß
der nördliche Teil im Vergleich zum südlichen weiter herausgehoben
wurde. Ermöglicht wird dies durch die Vielzahl E-W- gerichteter Störungen
und Lineamente, die im S in Form länglicher Granitbänder ausgebildet sind.
Als Störungen werden überwiegend nach E fallende Überschiebungen
vermutet, deren Einfallen parallel zur Faltenachsenebene verläuft.
Der Wachskalk tritt nicht immer an seinem stratigraphisch vorgegebenen
Platz auf. Teilweise wird er durch `Zwetschgenkerntektonik´ ausgequetscht.
Diese verursacht eine Längung der flacheren Faltenschenkel der N-S-gerichteten
Isoklinalfalten, woduch der Wachskalk (ähnlich der Entstehung einer
Boudinage) zerrißen wird und folglich an erwarteter Stelle fehlt.
Die geologische Datenaufnahme erfolgte überwiegend im Gelände.
Eine teilweise Überprüfung und Ergänzung wurde durch die
Luftbilder (siehe Kapitel 7.2) einer Befliegung am 04.07.1987
möglich.
6.2.2 Strukturinventar
Schichtung:
Die Schichtung der Nebida-Schiefer war meist von der Schieferung
nicht zu unterscheiden. Durch die stellenweise auftretenden Karbonatkörper
konnte die Schichtung jedoch eindeutig bestimmt werden. Es ergab sich ein
generelles Schichtstreichen von 160 bis 170° und ein relativ steiles
Einfallen von durchschnittlich 70° nach E.
In den Dolomiten der Gonnesa-Gruppe konnte aufgrund der Dolomitisierung
keine Schichtung festgestellt werden, da das ursprünglich sedimentäre
Gefüge nicht mehr zu erkennen ist.
Die Wachskalke der Gonnesa-Gruppe weisen ebenfalls keine Schichtung
auf. Ihre Lage im Dolomit ließ aber ihr Streichen (~170°) und
Fallen (~70°E) gut erkennen.
In den Kalkschiefern und Cabitza-Schiefern der Iglesias-Gruppe
war die Schichtung nicht von der Schieferung zu unterscheiden. Das Schichtverhalten
stimmt mit dem der Wachskalke überein.
Spezialfaltung:
Die inkompetenten Tonschiefer weisen oft Schieferung und eine Spezialfaltung
auf. Die Faltung bewirkte eine bruchlose Gesteinsverformung im dm-Bereich
als Reaktion auf tangentiale Einengungskräfte. Die folgende Abbildung
30 zeigt den Anschliff einer Biegefalte im Nebida-Tonschiefer. |
|

Abbildung 30: Anschliff einer Biegefalte im Nebida-Tonschiefer |
|
Kinkbands:
Darunter versteht man nach DEWEY 1965 die Knickung einer Foliation in
einer schmalen Zone, wobei vor und hinter dieser Knick-Zone die Foliation
den gleichen ebenen Verlauf hat. Nach RITT 1986 besteht bei den meisten
Autoren Einigkeit darüber, daß sich Kinkbands nur in Gesteinen
mit einer sehr gut entwickelten, engen Flächenlage bilden und zwar
spät in der tektonischen Entwicklung als einer der letzten Deformationsakte. |
|

Abbildung 31: Kinkbands im Nebida-Tonschiefer |
|
Störungsbildung:
Die Bildung von Baryt (siehe Abbildung 12) ist durchwegs
an Störungszonen gebunden. Im SE des Cava di Pietra findet man sogar
klare Barytkristalle im Kontaktbereich Granit / Dolomit.
Nach SCHLEDDING 1985 wurde ein Teil der auf variszische Granitintrusionen
zurückzuführenden Barytlagerstätten als Verwitterungsprodukt
in Karsttaschen angereichert.
Klüfte:
Sie sind das Ergebnis des Bruchverhaltens im Gestein bei tektonischer
Beanspruchung, wobei definitionsgemäß keine Verschiebung stattfindet.
Man unterscheidet Dehnungs- und Scherklüfte, die durch das Eindringen
und Auskristallisieren von sekundären Lösungen (Calcit / Quarz)
wieder verheilen (geschlossen werden) können.
Im Granit konnten Abkühlungsklüfte eingemessen werden, die
aber keine Aussage über spätere tektonische Ereignisse liefern. |
|

Abbildung 32: Eingemessene Kluftflächen im Nebida-Schiefer
Werte der eingemessenen Kluftflächen: |
| 1A: 118/80S |
2A: 98/86N |
3A: 80/68N |
4A: 50/53NW |
| 1B: 113/76S |
2B: 104/90 |
3B: 84/58N |
4B: 68/54NW |
| 1C: 117/88S |
|
|
|
| 1D: 111/79S |
|
Schichtfläche: 177/53E |
|
Die eingemessenen Kluftflächen (1A bis 3B) sind überwiegend E-W-gerichtet
und wurden wahrscheinlich während der alpidischen Phase angelegt.
Die NE-SW-streichenden Klüfte (4A und 4B) könnten durch die Bewegungen
der zwei senkrecht zueinander stehenden variszischen Phasen entstanden
sein.
6.2.3 Auswertung von Meßpunkten |
|

|
|
Abbildung 33: Graphische Auswertung der gemessenen
Faltenachsenlineare im Schmidt`schen Netz
Die graphische Auswertung erfolgte mit dem Computerprogramm Spheri-Stat.
Abbildung 33 zeigt die südwestlich von Casa su de is Locis an der
Grenze zum nördlich gelegenen Gebiet gemessenen Faltenachsenlineare
und den daraus ermittelten Großkreis im Schmidt`schen Netz.
Die Werte liegen auf einem Großkreis, dessen Streichen ca. 165°
beträgt und der mit ca. 70° nach NE einfällt. Sie entsprechen
ungefähr dem generellen Streichen und Fallen der Schichten im Kartiergebiet
und in der ganzen Region SW-Sardinien. Der ermittelte Großkreis gibt
die gemittelte Streich- und Fallrichtung der gemessenen Faltenachsenlineare
an. Die Lage der meisten Faltenachsenpole im östlichen Teil des Netzes
bestätigt die Westvergenz des Faltenbaus der zweiten variszischen
Phase mit ihrer E-W-Einengung und dem größeren Stress aus östlicher
Richtung. Der Stress (die ausgeübte Einengung) erfolgte auch aus NNW
und SSE da die EW-gerichtete Spezialfältelung wahrscheinlich schon
in der ersten variszischen Phase angelegt wurde.
7 Anhang
7.1 Abbildungsverzeichnis |
| Abb. 1 |
Übersichtskarte Sardiniens
(oben) mit Gebietsausschnittskarte (unten) mit den im Text erwähnten
Namen |
| Abb. 2 |
Foto des Höhenzuges zwischen
Monte Floris und Serra Giara. Der kegelförmige Berg in der Mitte ist
der Punta Acuzza; aufgenommen vom Punta di Perdaiola in westlicher Richtung |
| Abb. 3 |
Lithostratigraphische Gliederung
des Kambriums SW-Sardiniens nach PILLOLA 1990 und 1991a in FRÖHLER
1994 |
| Abb. 4 |
Stratigraphievergleich |
| Abb. 5 |
Geologische Übersichtskarte
SW-Sardiniens nach FRÖHLER 1994 und BECHSTÄDT et al. 1988 |
| Abb. 6 |
Geographische Position des korso-sardischen
Mikrokontinents; modifiziert nach ALVAREZ 1972 |
| Abb. 7 |
Lithostratigraphische Gliederung
der kambrischen Gesteine im Kartiergebiet, modifiziert nach FRÖHLER
1994 |
| Abb. 8 |
Geologische Übersichtskarte
des bearbeiteten Kartiergebietes im Maßstab 1:20.000 |
| Abb. 9 |
Asymmetrische Knickfalte im geschieferten
Nebida-Gestein mit sekundärer Quarzfüllung |
| Abb. 10 |
Feingeschichteter Schiefer der
Nebida-Gruppe mit Rutschfalte |
| Abb. 11 |
Dünnschliff des Nebida-Kalkes,
40-fache Vergrößerung, gekreuzte Polarisatoren; man sieht den
feinkörnigen Kalk randlich, der in der Bildmitte grobkörniger
sowie marmorisiert ist und Zwillingsstreifung aufweist (leichte Metamorphose) |
| Abb. 12 |
Barytrose; typische Aggregatform,
gefunden in einer Abbaugrube westlich des Ega de sa Tuta |
| Abb. 13 |
Angewitterte Dolomitbrocken am
Punta Antiogu Sardara |
| Abb. 14 |
Quarzbreccie aus der Störungszone
ca. 350 m westlich des Monte Floris |
| Abb. 15 |
Dünnschliff der Störungsbreccie,
40-fache Vergrößerung, gekreuzte Polarisatoren; unten im Bild
erkennt man den Dolomit, der von feinen Quarzkristallen umlagert ist, welche
wiederum von größeren Kristallen umgeben sind |
| Abb. 16 |
Anschliff eines Wachskalkbrockens
mit Stylolithen |
| Abb. 17 |
Typischer wachsartiger Bruch des
Wachskalkes im frischen Anschlag |
| Abb. 18 |
Dünnschliff des Wachskalkes,
40-fache Vergrößerung, gekreuzte Polarisatoren; da der Ceroide
größtenteils rekristallisiert wurde, sind nach LÜNEBURG
1995 die Calcitkörner klein und annähernd gleich groß;
sie zeigen keine Anzeichen von Deformation; man erkennt Stylolithenbildung |
| Abb. 19 |
Kalkschiefer (polierter
Gesteinsanschliff) |
| Abb. 20 |
Dünnschliff des Kalkschiefers,
40-fache Vergrößerung, gekreuzte Polarisatoren; man erkennt
die feine Struktur und einen wahrscheinlich tektonisch versetzten Quarzgang |
| Abb. 21 |
Cabitza-Schiefer (Anschliff) |
| Abb. 22 |
Anschliff einer lateritischen
Breccie |
| Abb. 23 |
Polierte Anschliffe der
Knochenbreccie vom Wachskalksteinbruch Cava di Pietra |
| Abb. 24 |
Dünnschliff des Sinterkalkes,
40-fache Vergrößerung, ungekreuzte Polarisatoren; erkennbar
ist die schichtige Anlagerung des Kalkes |
| Abb. 25 |
Geländeaufnahme des im Text
(Seite 42) beschriebenen Kalkbrockens |
| Abb. 26 |
Aufschluß westlich des Cava
di Pietra, der durch die Nutzung des Granits als Baumaterial entstanden
ist; man erkennt deutlich die starke Klüftung |
| Abb. 27 |
Anschliff eines Granithandstückes
vom s`Arcu s`Egua; man erkennt die relativ großen Minerale (Quarz,
Plagioklas, Alkalifeldspat und wenig Glimmer) in einer orangfarbenen Matrix,
die dem Gestein seine Farbe verleiht |
| Abb. 28 |
Dünnschliff einer Probe des
flächenmäßig kleinen Granits südöstlich des Cava
di Pietra, der schon Verwitterungsspuren zeigt und an dessen unmittelbarem
Kontakt zum Dolomit glasklare Barytkristalle gebildet wurden (40-fache
Vergrößerung gekreuzte Polarisatoren) |
| Abb. 29 |
Faltenkern ca. 250 m westlich
des Dorfes Perdaiola (im SE des Kartiergebietes) |
| Abb. 30 |
Anschliff einer Biegefalte
im Nebida-Tonschiefer |
| Abb. 31 |
Kinkbands im Nebida-Tonschiefer |
| Abb. 32 |
Eingemessene Kluftflächen
im Nebida-Schiefer |
| Abb.
33 |
Graphische Auswertung der gemessenen Faltenachsenlinearen im Schmidt`schen Netz |
|
7.2 Karten- und Luftbilderverzeichnis
Geographische Karten
CARTA TECNICA DELLA SARDEGNA. Scala 1:10.000 - REGIONE AUTONOMA DELLA
SARDEGNA, ASSESSORATO AI LAVORI PUBBLICI, 1968
FOGLIO No 564 - CARBONIA SEZ. D4 S. ANNA ARRESI
FOGLIO No 565 - PULA SEZ. D1 IS CARILLUS
CARTA D'ITALIA ALLA SCALA DI 1:25.000 - ISTITUTO GEOGRAFICO MILITARE,1967
FOGLIO No 233, QUADRANTE: III, ORIENTAMENTO: S.E. GIBA
Geologische Karte
CARTA GEOLOGICA DELLA SARDEGNA, Scala 1:250.000
ISTITUTO GEOLOGIA - UNIVERSITA DI CAGLIARI, ENTE MINERARIO SARDO, 1982
AUTORI: CHERCHI A., MARCELLO A., MARINI A., MURRU M., PRETTI S., SALVADORI I.
Luftbilder
Istituto Geografico Militare
Befliegung am 04.07.1987, 14.07 Uhr
Höhe 4.300 m
Nr. 7.326 (00005451) und 7.327 (00005452)
Maßstab: 1: 30.000
7.3 Literaturverzeichnis
Adler R., Fenchel W., Pilger A., 1989: Statistische Methoden
in der Tektonik II, Clausthaler Tektonische Hefte, 4, 89 Seiten, Köln
Alvarez W., 1972: Rotation of the Corsica-Sardinia microplate, Nature
Physical Science 235, S. 103-105, London
Arthaud F., 1970: Etude tectonique et microtectonique comparée
de deux domaines Hercyniennes: Les nappes de la Montagne Noire (France)
et l`anticlinorium de l`Iglesiente (Sardaigne), 175 Seiten, Publ. U.S.T.L.,
Série Geol. Struct. 1, Montpellier
Barca S., Carmignani L., Cocozza T., Franceschelli M., Ghezzo C., Memmi
I., Minzoni N., Pertusati P. C., Ricci C. A., 1985: The Caledonian
events in Sardinia, S. 1195-1199, John Wiley & Sons Ltd, New York
Bechstädt T., Boni M., 1989: Controls on carbonate platform
and basin development, Society of Economic Paleontologists and Mineralogists,
Special Publication No. 44, S. 107-122
Bechstädt T., Boni M., 1994: Sedimentological, stratigraphical
and ore deposits field guide of the autochthonous Cambro-Ordovician of
southwestern Sardinia, Memorie descrittive della Carta Geologica d`Italia,
Volume XLVIII, S. 47-105, Servizio Geologico Nazionale, Istituto Poligraphico
e Zecca dello Stato
Bechstädt T., Boni M., Schledding T., 1984: Slope-Sediments
in the Cambrian Gonnesa-Formation of the Sulcis area, SW-Sardinia, N. Jb.
Geol. Pal. Mh., S. 129-138
Bechstädt T., Boni M., Selg M., 1985: The Lower Cambrian of
SW-Sardinia; From a clastic tidal shelf to an isolated carbonate platform-facies,
12, S. 113-140
Bechstädt T., Boni M., Selg M., 1989: Shelf to basin transition
in the Cambrian - Lower Ordovician of Sardinia (Italy), Discussion, Geologische
Rundschau 78/2, S. 679-683, Stuttgart
Bechstädt T., Schledding T., Selg M., 1988: Rise and fall of
an isolated, unstable carbonate platform: The Cambrian of southwestern
Sardinia, Geologische Rundschau 77/2, S. 389-416, Stuttgart
Belov A. A., 1981: The main development stages and epoches of tectonic
activity in the mediterranean-alpine folded area in paleozoic, in: Karmata
S., Sassi F. P., 1981: IGCP No. 5, Newsletters, Vol. 3
Boni M., 1979: Zur Paläogeographie, Mineralogie und Lagerstättenkunde
der Paläokarst-Erze in SW-Sardinien (Iglesiente-Sulcis), Dissertation,
260 Seiten, Universität Heidelberg
Bornemann J. G., 1883: Paläontologisches aus dem Cambrischen
Gebiete von Canalgrande in Sardinien, Z. Dt. Geol. Ges., 35, S. 270-274,
Berlin
Carannante G., Cocozza T., D`Argenio B., 1984: Late Precambrian
- Cambrian geodynamic setting and tectono-sedimentary evolution of Sardinia
(Italy), Bollettino della Societé Geologica Italiana, Volume CIII,
S.121-128, Roma
Carmignani L., Cocozza T., Minzoni N., 1978: The Hercynian orogenic
revolution in Sardinia, Z. Dt. Geol. Ges., 129, S. 485-493
Carmignani L., Cocozza T., Gandin A., Pertusati P. C., 1982a: Lineamenti
della geologia dell`Iglesiente-Sulcis, in Carmignani L. et al. (eds.),
Guida alla geologia del Paleozoico Sardo, Guida Reg. Geol., S. 65-77, Cagliari
Carmignani L., Cocozza T., Minzoni N., Pertusati P. C., 1981: Structural
and paleogeographic lineaments of the Variscan cycle in Sardinia, Geol.
En. Mijnbouw., 60, S. 171-181
Cocozza T., 1979: The Cambrian of Sardinia, Memorie della Societé
Geologica Italiana, Volume XX, S. 163-187, Roma
Cohen C.R., 1980: Plate tectonic model for the Oligo-Miocene evolution
of the western Mediterranean, Tectonophysics, 68, S. 283-311, Amsterdam
Colacicchi R., Gandin A., 1982: Mixed siliciclastics and carbonate
sediments in Lower Cambrian of Sardinia, Abstr. of papers, 11th
international congress on sedimentology, S. 111, Mc. Masters University,
Hamilton, Canada
Della Marmora A. F., 1857: Viaggio in Sardegna III., Descrizione
geologica, edizione il Nuraghe, Cagliary
Del Moro A., Di Simplicio P., Ghezzo C., Guasparri G., Rita F., Sabatini
G., 1975: Radiometric data and intrusive sequence in the sardinian
batholiths, N. Jb. Min. Abh., 126, S.28-44
Dewey J. F., 1965: Nature and origin of Kink-Bands, Tectonophysics,
1, S. 459-494
Edel J. B., Montigny R., Thuizat R., 1981: Late Paleozoic rotations
of Corsica and Sardinia: new evidence from paleomagnetic and K-Ar studies,
Tectonophysics, 79, S.201-223
Exel R., 1986: Sardinien (Geologie, Mineralogie, Lagerstätten,
Bergbau), 177 Seiten, Sammlung Geologischer Führer, Band 80, Gebrüder
Borntraeger, Berlin, Stuttgart
Folk R. L., 1959: Practical Petrographical Classification of Limestones,
Bull. Am. Ass. Petrol. Geol., 43, S. 1-38, Tulsa
Frei A., 1996: Unveröffentlichte Diplomkartierung im Süd-Sulcis,
östlich von Masainas, Ludwig-Maximilians-Universität München
Fröhler M., 1994: Entwicklung der unterkambrischen Gonnesa-Carbonatplattform,
241 Seiten, Freiburger geowissenschaftliche Beiträge, Band 7, Selbstverlag
des Geologischen Instituts der Albert-Ludwigs-Universität, Freiburg
im Breisgau
Gandin A., Padalino G., Violo M., 1974: Correlation between sedimentation
environment and ore-prospecting, Sedimentological and ore genesis studies
of Cambrian `arenarie´ and `dolomie rigate´ Formations (Sardinia,
Italy), Soc. It. Min. Petr., 30 (1), S. 251-303, Roma
Gandin A., Courjault-Radé P., 1989: Shelf to basin transition in
the Cambrian-Lower Ordovician of Sardinia (Italy), Reply, Geologische Rundschau,
78/2, S. 685-688, Stuttgart
Gandin A., Minzoni N., Courjault-Radé F. und P., 1987: Shelf
to basin transition in the Cambrian - Lower Ordovician of Sardinia (Italy),
Reply, Geologische Rundschau, 76/3, S. 827-836, Stuttgart
Harland W. B., Armstrong R. L., Cox A. V., Craig L. E., Smith S. G.
und D. G., 1989: A geologic time scale, 280 Seiten, Cambridge University
Press, Cambridge
;Havre H., 1932: Esquisse géologique de l`Iglesiente,
Resoconti della Associazione Mineraria Sarda, 37, n.3, S. 17-24, n.7, S. 4-12
Hobbs B. E., Means W. D., Williams P. F., 1976: An outline of structural
geology, 571 Seiten, John Wiley & Sons, Inc., New York
Junker B., Schneider H. H., 1983: The Infracambrian Bithia-Formation
- its facies development in southwest Sardinia, S. 369-384, N. Jb. Geol.
Pal. Mh., 24 Lebit H. D. W., 1995: On fold and strain interference
patterns in the Paleozoic rocks of Iglesiente (SW Sardinia), 190 Seiten,
Dissertation, Zürich
Lüneburg C. M., 1995: Cleavage development and mineral anisotropies
in siliciclastic sediments of SW Sardinia, 168 Seiten, Dissertation, Zürich
Martini I. P., Tongiorgi M., Oggiano G., Cocozza T.: 1991: Ordovician
alluvial fan to marine shelf transition in SW Sardinia, Western Mediterranean
Sea: tectonically (`Sardic phase´) influenced clastic sedimentation,
Sedimentary Geology, 72, S. 97-115, Amsterdam
Minzoni N., 1980: Precambriano nel Sulcis meridionale (Sardegna),
Miner. Petrogr. Acta, 24, S. 51-56
Mostler H., 1985: Neue heteractinide Spongien (Calcispongea) aus
dem Unter- und Mittelkambrium SW-Sardiniens, S. 7-32, Ber. nat. - med.
Verein, Bd. 72, Innsbruck
Pettijohn F. J., 1956: Sedimentary Rocks, 710 Seiten, 2nd
ed., Harper & Bros., New York
Pillola G. L., 1986: Biostratigraphy of the Campo Pisano- and Cabitza-Formations:
Preliminary report, IGCP Proj. No. 5, Abstr., S.67-68., Cagliari
Pillola G. L., 1990: Lithologie et Trilobites du Cambrien inférieur
du SW de la Sardaigne (Italie), implications paléobiogéographiques,
C. R. Acad. Sci. Paris. Sér. II, 310, S. 321-328, Paris
Pillola G. L., 1991a: Trilobites du Cambrien inférieure du
SW de la Sardaigne, Italie, Palaeontographica Italica, 78, 174 Seiten, Pisa
Poll J. J. K., 1966: The geology of the Rosas-Terraseo area (Sulcis,
S-Sardinia), Leidse geol. Meded., 35, S. 117-208
Poll J. J. K., Zwart H. J., 1964: On the Tectonics of the Sulcis
area, South Sardinia, Geol. En Mijnbouw., 43/4, S. 144-146
Pompeckj J. F., 1901: Die Versteinerung der Paradoxides-Stufe von
La Cabitza in Sardinien und Bemerkungen zur Gliederung des sardischen Cambriums,
Zeitschrift der Deutschen Geologischen Gesellschaft, 53, S. 1-23
Ragan D. M., 1973: Structural Geology - An introduction to geometrical
techniques, 2ed ed., 208 Seiten, Wiley John &
Sons , Inc., New York
Ramsey J. G., Huber M. I., 1987: The techniques of modern structural
geology, Volume II: Folds and fractures, 307 Seiten, Academy Press Inc.
(London) LTD, Orlando, Florida
Rasetti F., 1972: Cambrian trilobite faunas of Sardinia, S. 1-100,
Mem. Atti. Acad. Naz. Lincei. Ser. VIII, Vol. XI, Sez. II
Ritt B., 1986:
Strukturgeologische Untersuchungen in der kambro-ordovizischen Abfolge
des S-Iglesiente / N-Sulcis (SW-Sardinien, Italien), 96 Seiten, Dissertation
an der Albert-Ludwigs-Universität Freiburg im Breisgau
Sander B., 1948: Einführung in die Gefügekunde der geologischen
Körper, Teil I, 212 Seiten, Springer Verlag, Wien, Innsbruck
Schledding T., 1985: Fazies, Geochemie und Paläogeographie
der unter- bis mittelkambrischen Gonnesa-Formation sowie der basalen Cabitza-Formation
des Sulcis (SW-Sardinien, Italien): Der Zerfall einer Karbonatplattform,
154 Seiten, Dissertation an der Universität Freiburg
Schneider H. H., 1974: Revision des Altpaläozoikums Sardiniens,
insbesondere des sardischen Konglomerates, S. 78-103, N. Jb. Geol. Pal.
146, Stuttgart
Schwarzbach M., 1939: Das Normalprofil des sardischen Kambriums,
S. 39-50, Cbl. Min. Geol. Pal. II, Stuttgart
Selg M., 1985: Die siliziklastisch-karbonatische Wechsellagerung
der unterkambrischen Nebida-Formation (SW-Sardinien): Entstehung einer
Karbonatplattform, 105 Seiten, Dissertation an der Universität Freiburg
im Breisgau
Selg M., 1986: Algen als Faziesindikatoren: Bioherme und Biostrome
im Unter-Kambrium von SW-Sardinien, S. 693-702, Geologische Rundschau 75,
Stuttgart
Stille H., 1939: Bemerkungen betreffend die `Sardische Faltung´
und den Ausdruck `ophiolithisch´, S. 771-773, Z. dt. Geol. Ges.,
91, Reichenbach (Sudetenland)
Teichmüller R., 1931: Zur Geologie des Mittelmeergebietes,
Abh. D. Ges. D. Wiss. Göttingen, Math. - phys. Klasse 3,
123 Seiten
Vardabasso S., 1963: Die außeralpine Taphrogenese im kaledonisch-variszisch
konsolidierten sardischen Vorlande, Geologische Rundschau, 53, S. 613-630,
Stuttgart
Weingart U., 1996: Unveröffentlichte Diplomkartierung, SW-Sardinien,
Süd-Sulcis, östlich von Giba / Masainas, Ludwig-Maximilians-Universität
München
Zoppi H. J., 1888: Descrizione geologico-mineraria dell`Iglesiente,
Mem. descrittive Carta Geol. d`Italia, Serv. Geol., 4, 154 Seiten, Roma
|
|